特點與應用:
國際標準ProfiNet/IO協議
可拆卸的模塊化總線適配器,地址任意設定,更方便連接
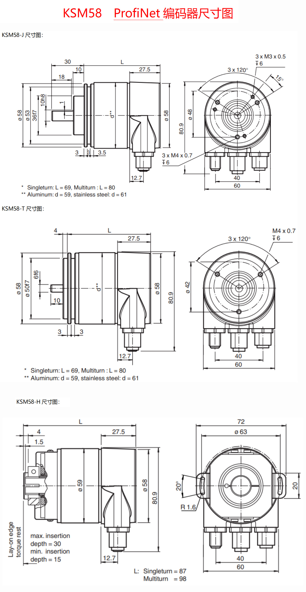
歐系標準安裝尺寸,軸型安裝或盲孔型安裝,端子接線更方便安裝
防護等級最高達IP68,工作溫度可達-40°C...+85°C,可完美應用與長時間水下工作
具有安全鎖式軸承設計,可防止大尺寸優質軸承組在運行和安裝期間,由于軸向載荷較大而造成不對心。
可選擇不銹鋼防爆型重載編碼器,具有EX II 2 G Ex ib IIB T4 Gb 歐盟防爆等級認證 ,為石油化工以及防爆設備保駕護航。
|
產品系列 |
KSM58J |
KSM58T |
KSM58H |
|
尺寸(外殼) |
? 58mm |
||
|
特性 |
軸型帶夾緊法蘭 |
軸型帶同步法蘭 |
抱緊環式盲孔型 |
|
主軸尺寸 |
軸型?6、8,10,12,14,15mm |
軸型?6、8、10mm |
盲孔型?6、8,10,12,14,15mm |
|
|
|||
|
輸出信號 |
ProfiNet/IO |
||
|
輸出驅動器 |
Ethernet |
||
|
傳輸速率 |
10 / 100 Mbit |
||
|
接口周期時間 |
≥ 1 ms |
||
|
電源電壓 |
10....30VDC(反極性保護,過壓保護) |
||
|
單圈分辨率 |
標準13位8192,最大16位65536 |
||
|
圈數 |
4096圈 |
||
|
編碼 |
二進制碼 |
||
|
重復精度 |
±2BIT |
||
|
消耗電流 |
<50mA(24V電源) 空載 |
||
|
可編程參數 |
每圈對應值可調,軟件限位開關,旋轉方向,預設值,速率輸出,速率時基,波特率 |
||
|
最大轉速 |
6000r/min |
||
|
主軸負載 |
徑向110N,軸向40N |
||
|
防護等級 |
IP65或IP66 |
||
|
啟動力矩 |
≤3Ncm |
||
|
工作溫度 |
-40°C....85°C(可定制工作溫度-40°C....85°C) |
||
|
儲存溫度 |
-40°C....100°C |
||
|
抗沖擊 |
1000m/s2, 6ms(100g) |
||
|
抗振動 |
20g |
||
|
連接方式 |
3個連接器分別是1個M12,公型4針A碼和兩個M12,公型,4針,2碼 |
||
LED指示燈:
|
電源燈: 綠燈亮為故障,暗為無供電 |
|
組態燈: 紅燈亮為故障,暗為組態正常 |
|
總線接口1/2: 綠/橙亮為正常工作,暗為不正常 |
數據端口1:
|
信號 |
TXD+ |
RXD+ |
TXD- |
RXD- |
|
|
針號 |
1 |
2 |
3 |
4 |
電源接口:
|
信號 |
+V |
—— |
0V |
—— |
|
|
針號 |
1 |
—— |
3 |
—— |
數據端口2:
|
信號 |
TXD+ |
RXD+ |
TXD- |
RXD- |
|
|
針號 |
1 |
2 |
3 |
4 |
訂貨型號代碼:
1 2 3 4 5 6 7 8 9
|
絕對值編碼器 |
KSM58J - |
XXX |
XXX |
XX
12 13 14 16 |
-XXX
|
X
0 S V W H |
- X
R |
XX |
- XX
EX |
|
1、規格系列 KSM58J - KSM58T - KSM58H - |
B12 |
||||||||
|
2、輸出信號 |
|||||||||
|
PNProfiNet/IO輸出 PN |
|||||||||
|
3、轉動圈數 B12 12bit(標準4096圈) |
|||||||||
|
4、每圈分辨率 12 12 bit(4096分辨率)標準產品 13 13 bit(8192分辨率) 14 14 bit(16384分辨率) 16 16 bit(65536分辨率) |
|||||||||
|
5、機械安裝尺寸 詳情請看SASM58多圈絕對值編碼器機械尺寸圖 |
|||||||||
|
6、防護等級、外殼材質 0 防護等級IP65,鋁合金外殼 S 防護等級IP68,鋁合金外殼(可長時間水下工作) V 防護等級IP66,不銹鋼重載外殼 W 防護等級IP68,不銹鋼重載外殼(可長時間水下工作) H 防護等級IP66,鋁合金外殼(-40°C軍工級低溫標準) |
|||||||||
|
7、出線方式 R 徑向側出 |
|||||||||
|
8、連接形式 |
|
||||||||
|
PRM 三插頭連接 |
PRM |
||||||||
|
9、EX防爆型 |
|||||||||
|
EX 防爆型編碼器EX II 2G Ex ib IIB T4 Gb |
|||||||||









??????